ENGINEERING DESIGN

SERVICES

Our
Services

  • MECHANICAL DESIGN

    PIPING ISOMETRICS, STRUCTURAL FRAMES, FINITE ELEMENT ANALYSIS (FEA), PUMP SIZING, EFFICIENCY CALCULATIONS

  • ELECTRICAL DESIGN

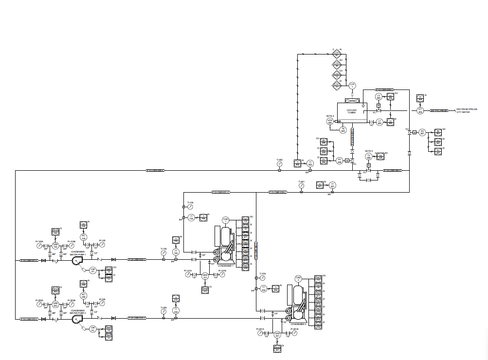
    PIPING AND INSTRUMENTATION DIAGRAMS, ELECTRICAL LAYOUTS, INPUT/ OUTPUT SUMMARY WIRING DIAGRAMS, INSTRUMENT SPECIFICATIONS, MOTOR CONTROLS, LIGHTING DESIGN, AND HEAT TRACE CALCULATIONS

  • PROJECT AND CONSTRUCTION MANAGEMENT

    PROJECT PLANNING, SUBCONTRACTOR COORDINATION, RISK MANAGEMENT

Our
Projects